На главную     ↑ Выше

Расчёт рекурсивных цифровых фильтров.

Прямая реализация.

Заказать расчет                 

 

Здесь мы рассматриваем класс рекурсивных фильтров или по-другому фильтров с бесконечной импульсной характеристикой (БИХ). Существует множество вариантов реализации рекурсивных фильтров. Самая очевидная – это прямая форма реализации, на которой мы здесь остановимся.

Один из распространённых подходов проектирования цифровых фильтров (ЦФ) заключается в пересчёте коэффициентов передаточной функции аналогового фильтра-прототипа (АФ) в коэффициенты цифрового фильтра. Один из методов - метод билинейного преобразования. Он позволяет получить амплитудно-частотную характеристику (АЧХ) ЦФ, аналогичную АЧХ АФ-прототипа. Проектированию аналоговых фильтров посвящено много специальной литературы, поэтому данную тему мы пропускаем. Мы спроектируем  цифровой фильтр нижних частот (ФНЧ) 5-го порядка и приведём программу расчета конкретного фильтра, которую можно обобщить на фильтры любого типа (Баттерворта, Чебышева, Бесселя и др.) и произвольного порядка.

Обобщенная передаточная функция аналогового звена  5-го  порядка имеет вид:

 

 

где A и B- вещественные коэффициенты,  – комплексная круговая частота,  – круговая частота, f – реальная частота (которая в Герцах).

 

В свою очередь при расчёте аналогового ФНЧ за основу берут передаточную характеристику т.н. нормированного фильтра-прототипа, такого для которого срез имеет место при  Ω = 1, где Ω -  т.н. нормированная (и следовательно безразмерная) частота:

 

,      здесь индекс c – обозначает частоту среза ФНЧ.

 

При этом  при расчете передаточной характеристики нормированного фильтра принимается s=iΩ.

 

Обобщенная передаточная характеристика цифрового фильтра 5-го порядка имеет вид:

 

 

 

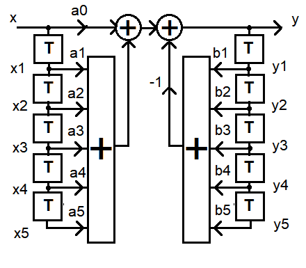
Где z-k=e-ikf/fsfs-частота дискретизации   Этой характеристике соответствует структурная схема ЦФ 5-го порядка следующего вида (прямая форма I):

 

T – элемент задержки на один период дискретизации. При реализации на вычислительных устройствах работа фильтра реализуется следующим выражением:

 

y = a0*x+a1*x1+a2*x2+a3*x3+a4*x4+a5*x5 - (b1*y1+b2*y2+b3*y3+b4*y4+b5*y5)

 

Здесь a0 соответствует a0 и т.д. Обозначение x1 соответствует задержки x на 1 период дискретизации, x2 - на 2 периода  и т.д. Для y1,y2… аналогично. Звёздочка * означает умножение.

 

Задача расчёта цифрового фильтра заключается в следующих переходах:

 

s à z,       Ak à ak,     Bk à bk , для k=0..n, где n- порядок фильтра, в данном случае n=5.

 

Наиболее распространённым методом расчёта ЦФ является т.н. «метод билинейного преобразования». При использовании данного метода удаётся максимально приблизить АЧХ ЦФ к АЧХ АФ-прототипа. Основная формула билинейного преобразования выглядит следующим образом [1]:

 

fs=1/T – частота дискретизации.

 

Из теории известно, что yмножение в частотной области на z-1 эквивалентно задержки отсчёта на время T во временной области, откуда становиться понятным взаимосвязь приведенных выше выражений для H(z) и y.

 

Значение коэффициента c непосредственно в билинейной формуле равно c=2/T=2fs.

Однако при этом АЧХ ЦФ и АЧХ АФ заметно «разбегаются» с увеличением частоты. Поэтому с целью коррекции стали применять его в следующих вариантах [2]:

 

 – для фильтра с нормированной H(s) (Ω=1), и

 

 – для фильтра, у которого H(s) денормирована под заданную частоту среза.

 

Мы определились с заменой s à z. Теперь переходим к преобразованию коэффициентов:

 

Ak à ak,     Bk à bk

 

Расчеты удобно проводить на Mathcad.

 

1.    Скорректированные коэффициенты аналогового ФНЧ записываем в векторном виде:

 

    

Коэффициенты цифрового фильтра определим с помощью матричных вычислений [2]:

 

a = P*A         b = P*B

 

Результатом расчета будут векторы коэффициентов цифрового фильтра:

 

 

P- матрица Паскаля, которая зависит только от порядка фильтра. Для n=5 она будет иметь вид:

 

 

В качестве конкретного примера рассмотрим ФНЧ 5-го порядка со срезом на частоте fc = 200 Гц при частоте дискретизации fs = 2000 Гц. Выбор аналогового фильтра-прототипа рассматривать не будем, поскольку этому вопросу посвящена обширная литература. Предположим, что наc устроил эллиптический фильтр 5-го порядка, который имеет следующую передаточную характеристику [3]:

 

Запишем его коэффициенты в векторном виде

 

 

После вышеупомянутых матричных вычислений получим следующие коэффициенты цифрового фильтра:

 

 

Пронормируем все коэффициенты относительно b0 с той целью, чтобы в итоге получить b0=1.

Это необходимо для последующей реализации фильтра в виде прямой формы. Окончательно имеем.

 

 

Вычисленные на Mathcad АЧХ аналогового Ha(f) и цифрового Hd(f) фильтров показаны на следующем графике:

 

 

Как следует из графиков аналоговая и цифровая характеристики почти идеально совпадают в полосе пропускания и заметно отличаются за её пределами. Если выбрать частоту дискретизации на порядок выше: 20000 Гц, то расхождение будет практически незаметным. Впрочем, в данном случае, расхождение идет на пользу, т.к. АЧХ цифрового фильтра идёт ещё круче, чем аналогового.

Для того, чтобы окончательно убедиться в правильности рассмотренного подхода и корректности приведенных здесь расчётов на MicroСap-12 была построена цифровая модель фильтра, изображённая на следующем рисунке:

 

 

Частота дискретизации и коэффициенты фильтра заданы директивами .define.

Ниже показана АЧХ фильтра, полученная в результате моделирования:

 

 

Видим, что она соответствует ожидаемой.

 

Mathcad-программа расчета данного фильтра доступна здесь . Программу нетрудно модифицировать для фильтра любого порядка.

Литература и ссылки

 

1.    Билинейное преобразование.

2.    Phuoc Si Nguyen. Bilinear z-transformation and Pascal’s triangle.

3.    Расчет аналогового нормированного эллиптического фильтра нижних частот.

 


  Обратная связь: 
alexander.nekhaev53@gmail.com
  Поддержать проект   Заказать расчет