На главную

Аналоговые RC и LC фильтры

Расчёт RC-фильтра нижних частот
Расчёт RC-фильтра верхних частот
Расчёт LC-фильтра нижних частот
Расчёт LC-фильтра нижних частот с крутым срезом
Расчет LC-фильтра нижних частот Баттерворта
Расчет LC-фильтра нижних частот Чебышева
Расчёт LC-фильтра верхних частот
Расчёт полосового фильтра на основе колебательного LC-контура
Расчёт режекторного фильтра на основе колебательного LC-контура
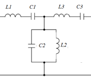
Расчёт многозвенного полосового LC фильтра


  Обратная связь: admin@нехаев.рф   Поддержать проект