На главную     ↑ Выше

Делитель напряжения на двух резисторах


Основные формулы

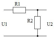
На рисунке показана схема простейшего резистивного делителя на двух резисторах:



Коэффициент передачи по напряжению такого делителя рассчитывается по формуле:

Ku = U2/U1 = R2/(R1 + R2)

При этом предполагается, что сопротивление нагрузки значительно больше R2.
В противном случае под R2 следует понимать параллельное соединение R2 и
сопротивления нагрузки. Аналогично, под R1 следует в общем случае понимать сумму резистора и сопротивления источника.

Расчёт с помощью формы

Расчет резистивного делителя напряжения
Основная формула:   Ku= R2/(R1+R2)

Введите два параметра и нажмите "Расчёт"
R1:
R2:
Ku: !Ku<1